
エレクトロニクス実装に関連する気になるカタログにチェックを入れると、まとめてダウンロードいただけます。
製品のトレーサビリティ管理とは?課題と対策・製品を解説

目的・課題で絞り込む
SMT工程(表面実装)
DIP工程(リード部品実装)
カテゴリで絞り込む
エレクトロニクス製造関連製品 |
クリーン・静電対策 |
はんだ |
レーザー加工技術 |
工場設備・備品 |
その他エレクトロニクス機器・技術 |

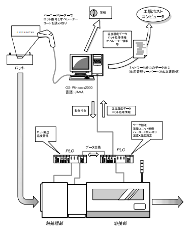
検査(試験工程)における製品のトレーサビリティ管理とは?
各社の製品
絞り込み条件:
▼チェックした製品のカタログをダウンロード
一度にダウンロードできるカタログは20件までです。
【クリーンルーム向け】DJ-TX31 特定小電力トランシーバー
竹製のICカード 「Seos(R) Bambooカード」
新和工業 電子機器開発・設計
【導入事例】電子部品メーカーD社様の運用事例
マルチカードリーダー『HID-R10』
Spectrum Air IP65 シングルヘッド組込磁気リーダ
FeliCa(フェリカ)コイン型非接触ICトークン
経験と実績に裏付けされたソリューション
ICカード(FeliCa Lite用) 2次発行システム
『非接触型ICカード』
サーマルプリンターメカニズム LT2220/2320
KIOSKプリンター『HMK-054』
【資料】IC CARD WRITER 機能比較表
ラベル各種
光デバイス溶接装置
東京通信機株式会社 総合カタログ(ダイジェスト版)
組み込みコンピュータシステム用CFカード『CPCFシリーズ』
電子機器ソリューション
【導入事例】現品票読取事例 電子部品製造業様
IC TAG Ceramic IC TAG
アジア各国認証申請代行サービス
SecureHead PCI準拠 DUKPT対応
【終了!次回おたのしみ】マックス社チューブマーカー レタツイン
BMP71ラベルプリンター
コイン型非接触IC『トークン』
半導体レーザーマーカー
エスケーエレクトロニクス 電子ペーパータグ EP-01
モバイルプリンタ シリーズ カタログ
指紋認証機能内蔵 非接触ICカード『US Card』
SSD/HDDデュプリケータ『オープンプラットフォームシリーズ』
極小レーザーマーキング装置
高速CFカードコピーマシン『CMI-410CF』
電子ペーパーパネルPC「EPD-42T」
































